Connection success

Product Detail
Product Detail
Product Detail
Product Detail
Product Detail
ST7008

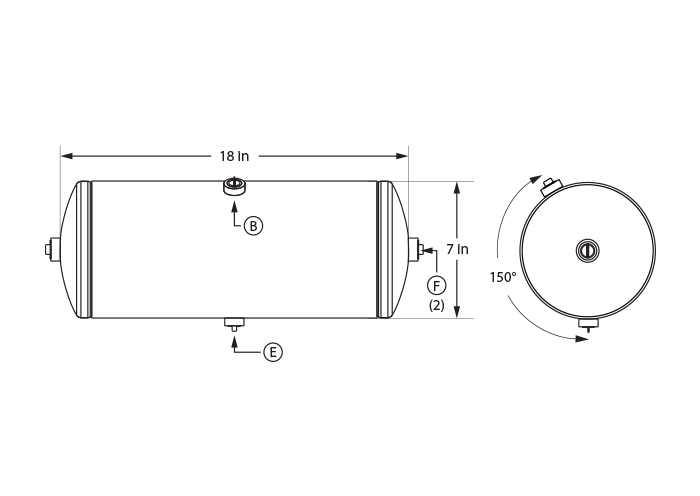
MODEL: ST7008

Diameter: 7"
Series: 0
Number of ports: 4

Port Location and Size
Main Port B
NPT
Drain Port E
NPT
End Port F (2)
NPT
3/8" 1/4" 1/2"

Specifications
Minimum Capacity: 624 CI (cubic inches) CI (cubic inches)
Maximum Working Pressure: 150 psi
Tank Style: Horizontal
Length Mounting Hole to Mounting Hole: 18"
Overall Height: 16"
Standards: SAE J10
California Residents:
Download Spec Sheet Go Back




ADDRESS


MAT Industries LLC
213 Industrial Drive
Jackson TN 38301

Sanborn and MIND logos Sanborn and MIND logos

MAT Industries is the manufacturer of the Sanborn Air Brake Tanks.
© Sanborn Manufacturing - 2026. All rights reserved. MAT Industries, LLC